— 產品中心 —
PRODUCT CENTER預付費水表系列
遠傳水表系列
超聲波水表
機械式水表
流量計
智能遠傳流量計
渦街(渦輪)流量計
高標農田建設方案
全國免費客服電話 152-3782-8699 地址:開封市魏都路中段109號
電話:152-3782-8699
郵箱:497343898@qq.com
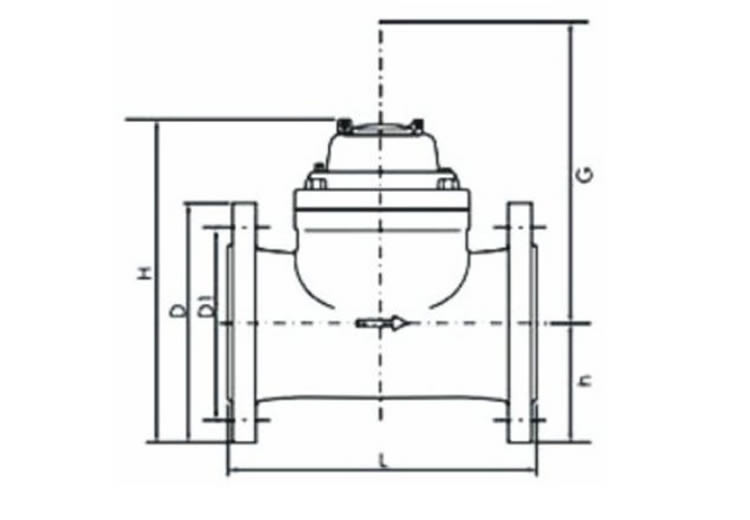
WPH水平螺翼水表是一種采用水平螺翼轉子與干式磁傳結構的機械式水表。其流通能力大,壓力損失小,且測量機芯可方便地更換。計數器采用真空密封,防冷凝霧化,讀數常年清晰
產品詳情
產品概述:
WPH水平螺翼水表
概述
WPH水平螺翼水表是一種基于水平螺翼轉子原理工作的速度式水表。其核心在于采用干式磁傳結構,將計量機構與計數器**隔離,確保計數系統整潔、清晰且不受水質干擾。該水表具有流通能力大、壓力損失小、性能曲線穩定的顯著特點。*突出的優勢在于其可拆式設計,測量機芯能夠便捷地更換,極大簡化了維護流程,降低了生命周期成本。廣泛應用于城市管網、工業及建筑供水等需要進行大流量冷、熱水計量的場合。
特性
1.干式磁傳結構:計數器與水流**隔離,保證計數器內部整潔,顯示清晰,永不霧化。
2.優異水力性能:流通能力大,壓力損失小,性能曲線穩定,對管網能耗影響低。
3.便捷維護:測量機芯可獨立更換,拆裝方便,大幅減少維護時間與成本。
4.長效防腐:采用不銹鋼緊固件及環氧樹脂粉末殼體內外噴涂,耐腐蝕,不易生銹,延長產品使用壽命。
5.靈敏可靠傳動:測量機構通用性好,采用磁性連接,傳動阻力小,運轉靈敏可靠。
6.超高讀數清晰度:計數器真空密封,**防冷凝、防霧化,可常年保持讀數清晰。
7.廣泛適應性:提供冷水表與熱水表型號,滿足不同溫度介質的計量需求。
技術參數
被測介質:冷水或熱水(根據溫度等級)
**度等級:2級
量程比:R80
公稱直徑:DN40, DN50, DN65, DN80, DN100, DN150, DN200
公稱壓力:MAP10 (1.0MPa)
溫度等級:冷水表T30 / 熱水表T90
上游流場敏感度等級:U10 (基于結構與應用場景推斷)
下游流場敏感度等級:D5 (基于結構與應用場景推斷)
電磁兼容性等級:不適用 (純機械基表)
通信接口:無 (純機械基表)
供電電源:無源
防護等級:IP65
按鍵:無
液晶顯示:無 (機械字輪顯示,*小讀數0.001m3)
數據存儲:無
測量周期:實時連續
平均功耗:無
工作環境:依據溫度等級(T30/T90)及安裝環境確定
安裝要求:需水平安裝,進水/出水口需要直管段,且需外加濾水器。




















下一篇:農田灌溉水表
客戶案例
相關推薦
在線咨詢
銷售熱線
銷售熱線:152-3782-8699